三相異步電動機正反轉聯鎖控制的PLC線路與梯形圖
今天分享文章:三相異步電動機正反轉聯鎖控制的PLC線路與梯形圖。詳見下文。
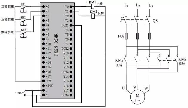
線路與梯形圖說明如下:
正轉聯鎖控制。按下正轉按鈕SB1→梯形圖程序中的正轉觸點X000閉合→線圈Y000得電→Y000自鎖觸點閉合,Y000聯鎖觸點斷開,Y0端子與COM端子間的內部硬觸點閉合→Y000自鎖觸點閉合,使線圈Y000在X000觸點斷開后仍可得電;Y000聯鎖觸點斷開,使線圈Y001即使在X001觸點閉合(誤操作SB2引起)時也無法得電,實現聯鎖控制;Y0端子與COM端子間的內部硬觸點閉合,接觸器KM1線圈得電,主電路中的KM1主觸點閉合,電動機得電正轉。
2)反轉聯鎖控制。按下反轉按鈕SB2→梯形圖程序中的反轉觸點X001閉合→線圈Y001得電→Y001自鎖觸點閉合,Y001聯鎖觸點斷開,Y1端子與COM端子間的內部硬觸點閉合→Y001自鎖觸點閉合,使線圈Y001在X001觸點斷開后繼續得電;Y001聯鎖觸點斷開,使線圈Y000即使在X000觸點閉合(誤操作SB1引起)時也無法得電,實現聯鎖控制;Y1端子與COM端子間的內部硬觸點閉合,接觸器KM2線圈得電,主電路中的KM2主觸點閉合,電動機得電反轉。
3)停轉控制。按下停止按鈕SB3→梯形圖程序中的兩個停止觸點X002均斷開→線圈Y000、Y001均失電→接觸器KM1、KM2線圈均失電→主電路中的KM1、KM2主觸點均斷開,電動機失電停轉。
以上就是關于三相異步電動機正反轉聯鎖控制的PLC線路與梯形圖的全部內容了。海藍機電-三菱代理商,我們只售正品,三菱PLC、三菱伺服電機、三菱變頻器、三菱觸摸屏現貨充足,提供產品技術服務、機器人視覺、自動化開發、機電設備維修、上位機軟件等技術服務。海藍的技術實力,等你來了解。
電話:0755-88356296(10線) 吳經理:13823726967
本文原創自:深圳市海藍機電設備有限公司,轉載請注明出處:http://www.iotashow.com/article/851.html.




評論信息