三菱PLC FX2N系列的功能編程器件
三菱PLC FX2N系列的功能編程器件
可編程控制器實質是用程序表達控制過程中事物間的邏輯或控制關系。這種關系必須借助機內器件來表達,這就要求在可編程控制器內部設置具有各種各樣功能的,能方便地代表控制過程中各種事物的元器件,這就是編程器件。
可編程控制器的編程器件從物理實質上來說是電子電路及存儲器。具有不同使用目的的元件其電路有所不同。考慮工程技術人員的習慣,用繼電器電路中類似名稱命名。稱為輸入繼電器、輸出繼電器、輔助(中間)繼電器、定時器、計時器等。為了明確它們的物理屬性,稱它們為“軟繼電器”。從編程的角度出發,我們可以不管這些器件的物理實現,只注重它們的功能,像在繼電器電路中一樣使用它們。
在可編程控制器中這種“器件”的數量往往是巨大的。為了區分它們的功能,不重復使地選用,我們給元件編上號碼。這些號碼也就是計算機存儲單元的地址。FX2N系列plc具有數十種編程器件,它們均用字母和編號來表示。字母如X表示輸入,Y表示輸出,編號由3位數字表示,數字因機型不同而異。
1.輸入繼電器(X0~X267)
輸入繼電器與PLC的輸入端相連,是PLC接收外部開關信號的接口。與輸入端子連接,輸入繼電器是光電隔離的電子繼電器,其線圈、動合觸點、動斷觸點與傳統的硬繼電器表示方法一樣,如圖左邊所示。這里動合觸點、動斷觸點的使用次數不限,這些觸點在PLC內部可以自由使用。FX2N型PLC輸入繼電器采用八進制地址編號X0~X267,最多可達184點,輸入繼電器必須由外部信號所驅動,而不能由程序驅動,其觸點也不能直接輸出驅動外部負載。
圖1輸入繼電器示意圖
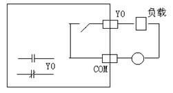
2. 輸出繼電器(Y0~Y267)
輸出繼電器是將PLC的輸出信號送給輸出模快,再驅動外部負載的元件,如圖2右邊所示,每一個輸出繼電器有一個外部輸出的動合觸點(硬觸點),它與的輸出端子相連,而內部的軟觸點,不管是動合還是動斷,都可無限制的自由使用。有一定的負載能力。FX2N型PLC輸出繼電器也采用八進制地址編號Y0~Y267,最多可達184點輸出。
圖2 輸出繼電器示意圖
例1:設計一個用在門鈴上的小開環電路。只有在PB1被按下時,門鈴BL1才響。
3. 輔助繼電器M
PLC內部有很多輔助繼電器,它的動合動斷觸點在PLC內部編程時可以無限次的自由使用。但是這些觸點不能直接驅動負載,輔助繼電器M只能由程序驅動,外部負載必須由輸出繼電器的外部觸點來驅動。
(1)通用輔助繼電器(M0~M499)
通用輔助繼電器作用類似中間繼電器,地址編號按十進制M0—M499共500點(在FX型PLC中除了輸入輸出繼電器外,其他所有器件都是十進制編號)。
(2)斷電保持輔助繼電器(M500~M1023)
PLC在運行中若發生停電,輸出繼電器和通用輔助繼電器全部成為斷開狀態。上電后,除了PLC運行時被外部輸入信號接通的以外,其他仍斷開。不少控制系統要求保持斷電瞬間狀態。斷電保持輔助繼電器就是用于此場合,斷電保持輔助繼電器M500~M1023(524點)是由PLC內裝鋰電池支持的。
(3)特殊輔助繼電器(M8000~M8255)
PLC內有256個特殊輔助繼電器,這些特殊輔助繼電器各自具有特定的功能。根據使用方式可以分為二類:
一類為其線圈由PLC自行驅動,用戶只能利用其觸點。如常用的有:
M8000為運行監視用,當PLC運行,M8000接通。
M8002為初始化脈沖沖,在PLC運行瞬間,M8002發一單脈沖沖。
M8012為產生100ms時鐘脈沖的特殊輔助繼電器。
M8013為產生1s時鐘脈沖的特殊輔助繼電器。
另一類為可驅動線圈型特殊輔助繼電器,用戶驅動線圈后,plc做特定動作。例如:
M8030:使BATTLED(鋰電池欠壓指示燈)熄滅。
M8033:PLC停止時輸出保持。
M8034::禁止全部輸出。
M8039:定時掃描方式。
注意,未定義的特殊輔助繼電器不可在程序中使用。
FX2N PLC各基本指令的符號、功能如下表所示。
表1 基本指令一覽



圖2 所示為使用上述三條基本指令的梯形圖。圖2-1-4 LD、LDI、OUT 指令使用說明梯形圖
2.脈沖取指令LDP、LDF
LDP取脈沖上升:沿邏輯運算開始,與左母線連接的上升沿檢測
LDF:取脈沖下降沿:邏輯運算開始,與左母線連接的下降沿檢測
上升沿觸點指令的功能是:指令元件置1的時刻有能流通過一個掃描周期。下降沿觸點指令的功能是:指令元件置0的時刻有能流通過一個掃描周期。
3.觸點串聯指令AND、ANI
AND:與指令,用于單個動合觸點的串聯。
ANI:與非指令,用于單個動斷觸點的串聯。
AND與ANI都是一個程序步指令,AND、ANI指令可多次重復使用,即串聯觸點個數不限;這兩條指令的目標元件為X、Y、M、T、C、S。OUT指令后,通過觸點對其他線圈使用OUT指令稱為縱接輸出(連續),這種輸出如果循序不錯,可以多次重復。
例2:傳送帶上物理位置的檢測。當包裹從傳送帶上過來時,經過兩個光電管PC1和PC2,這兩個光電管用來檢測傳動帶上包裹的位置。要求當兩個光電管都接通時,驅動貼郵票執行機構ST1,給包裹貼上郵票。
4.觸點并聯指令OR、ORI
OR:或指令,用于單個動合觸點的并聯
ORI:或非指令,用于單個動斷觸點的并聯
OR與ORI都是一個程序步指令,他們的目標元件是X、Y、M、T、C、S;OR、ORI指令是將一個觸點從當前步開始,直接并聯到控制母線上,且并聯次數不限。
典型控制程序
1. 自鎖程序
自鎖電路也稱自保持電路。常用于無機械鎖定開關的啟動停止控制中。如用無機械鎖定功能的按鈕控制電動機的啟動和停止;并且分為啟動優先和斷開優先兩種。
圖4斷開優先程序和啟動優先程序
互鎖程序互鎖電路用于不允許同時動作的兩個或多個繼電器的控制,如電動機的正反轉控制。
圖5 互鎖控制程序
深圳市海藍機電設備有限公司(www.iotashow.com)專業經營:三菱PLC、三菱伺服電機、三菱變頻器、三菱觸摸屏等工控自動化產品的批發和代理工作。
電話:0755-88356296(10線) 吳經理:13823726967




評論信息