
- 三菱伺服電機MR-J4系列報警“3E.1”該如何解決
- 今天有客戶向我司詢問三菱伺服電機報警“3E.1”該如何解決,具體問題描述是這樣的:前幾天新買的三菱伺服電機MR-J4系列設置完成后報警3E.1,是什么原因,不會是電機有問題吧!下面海藍機電小編就將我司技術人員對此問題的解答分享出來,希...

- 三菱伺服放大器MR-JE-100A往復絕對定位出現偏差的處理辦法
- 近日有客戶向海藍機電技術部問了一個關于三菱伺服定位的問題,小編覺得比較經典,便將其分享與諸位小伙伴。問題的具體描述為:“三菱伺服放大器MR-JE-100A往復絕對定位出現偏差,該如何處理解決?”下面我司技術人員對此問題的解答...

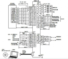
- 三菱Q系列PLC定位模塊QD75P4損壞該如何處理?
- 今天有一位客戶向海藍機電技術部咨詢三菱Q系列PLC定位模塊QD75P4損壞該如何處理,處理過程是怎樣的?下面海藍機電就借花獻佛,將我司技術人員對此問題的解析分享與諸位三菱PLC用戶,希望對大家有所幫助! 三菱Q系列PLC定位模塊 ...

- 舉例告訴你在三菱變頻器上該如何設定參數
- 由于有關于三菱變頻器參數設定的問題一直是用戶最喜歡咨詢的,對于一些問題小編也是知其然而不知其所以然。所以下面海藍機電小編就來稍微的舉個小例子,例子是將三菱變頻器FR-D700中的三菱變頻器參數P.183的值設置為8。通過這個例子來向大...

- 三菱變頻器FR-A800和FR-F800系列的區別在哪里?
- 三菱變頻器FR-A800系列和三菱變頻器FR-F800系列均為三菱變頻器的最新系類產品,用戶在這兩款新穎的三菱變頻器產品前顯得總是左右為難,尤其在選型時不知該如何選擇。所以經常會問三菱變頻器FR-A800和FR-F800系列的區別在哪里?那么下面海...

- 三菱變頻器進水了該如何處理
- 最近有位小伙伴向小編詢問他的三菱變頻器進水了該怎么辦,需要丟棄從新買過一臺么?那么下面小編就來為其分析分析,同時也將此篇內容分享與諸位小伙伴們,希望大家在遇到類似的情況時能有所幫助! 首先,明確告訴大家,三菱變頻器進水...

- 三菱PLC和三菱變頻器通訊時需要注意的問題
- 最近小編在逛貼吧時發現許多新入行的朋友們在向大神請教三菱PLC和三菱變頻器通訊的問題,大神們一時也回答不了太多。那么今天小編也來湊個熱鬧,將自己所理解的三菱PLC和三菱變頻器通訊時需要注意的問題寫出來,分享與諸位新朋友們!...

- 三菱變頻器F740系列恢復出廠設置該怎么操作?
- 最近有三菱變頻器用戶在設置參數時,將三菱變頻器參數輸入錯誤,導致變頻器無法正常運行。于是就想將此款三菱變頻器F740系列恢復出廠默認設置,操作時遇到了難題,于是向海藍機電技術部咨詢!下面小編就將三菱變頻器F740系列恢復出廠設置...

- 三菱變頻器電機在停止時是否可以迅速停下
- 最近有小伙伴向海藍機電技術部咨詢了一個關于三菱變頻器電機的問題,其大意是三菱變頻器電機在停止時是否可以迅速停下?下面小編就借花獻佛,將我司技術人員的回答分享與諸位小伙伴們,希望能對大家有所幫助! ...

- 如何將三菱變頻器參數復制到另一臺變頻器中
- 在日常生產中,常常會因為三菱變頻器損壞,然后為了不耽誤生產,另行購置了一臺新的三菱變頻器。但損壞的舊三菱變頻器參數是已設定好的,而新的三菱變頻器參數還需重新設定。 而重新設定三菱變頻器參數是一個相對比較麻煩的...

- 對于三菱變頻器FR-E740系列的產品介紹
- 三菱變頻器FR-E740系列是一款經濟型變頻器產品,其性能絕佳,可實現高驅動性能。與三菱變頻器FR-A700系列一樣,可適用于絕大多數場合,是一款性價比非常高的通用型三菱變頻器產品。下面,海藍機電小編就來為大家介紹下此款變頻器產品,希...

- 三菱變頻器A700系列常見故障的維修辦法
- 三菱變頻器FR-A700系列是市場上正在推廣使用的三菱變頻器系列產品之一,其銷量廣,過載能力強、控制功能多、適合大多數通用場合,是一款通用型高性能矢量三菱變頻器。但其對保養要求較高,許多用戶經常是因為保養不當而導致三菱變頻器故障...

- 三菱伺服電機HF-SP51 和 HF-SP52 能否相互代替使用,它們有何區別?
- 昨日,有朋友向海藍機電技術部咨詢了一個三菱伺服電機HF-SP52 和 HF-SP51 能否相互代替使用的問題。問題描述是這樣的:“我目前手上有兩臺三菱伺服電機,一臺是HF-SP51,另一臺是HF-SP52,現HF-SP52損壞無法使用,我能用HF-S...

- 三菱伺服電機能否在臺達伺服驅動器匹配使用呢?
- 最近有朋友向海藍機電技術部咨詢了這么一個問題:三菱伺服電機能否在臺達伺服驅動器上使用呢?具體描述為:現有一臺三菱伺服電機HG-KN23J-S100和一臺臺達ASD-B2 系列伺服驅動器,請問它倆能匹配使用么,該怎樣使用呢?下面小編就借花...

- 三菱伺服電機在選型時需要計算些什么?
- 三菱伺服電機在選型時,不僅需要記住上文中的5個在三菱伺服電機選型時需要注意的不同點,還要懂得計算一些三菱伺服電機及其配件的參數,從而更加合理的與自家的機器設備相匹配! 那么需要計算哪寫東西呢?下面就由海藍機...

- 獻上5個在三菱伺服選型時需要注意的不同點
- 據了解,許多客戶在購買三菱伺服電機時,最為頭疼的一點就是三菱伺服電機選型問題。因為一般采購人員都不是專業工控技術人員,對伺服電機的規格參數,與機器設備的匹配程度都并不是非常了解。那么下面就由海藍機電小編來為大家獻...

- 三菱伺服電機MR-JE系列的七大優勢特點
- 三菱伺服電機MR-JE系列作為目前三菱伺服電機系列的最新產品,其性能卓越,優勢特點較多,下面就由海藍機電小編來為諸位伺服用戶來解析一二,還望能對大家有所幫助! 三菱伺服電機MR-JE系列優勢特點: 1、MR-JE系...

- 對三菱伺服電機MR-JE系列的基本介紹
- 三菱伺服電機MR-JE系列是在MR-J4系列的基礎上升級而來的伺服產品,其最大的特點就是能在保持高性能的前提下對功能進行限制的。目前是三菱伺服電機系列的最新產品,昨日三菱電機也剛發布了三菱伺服電機MR-JE系列的一款新產品:三菱伺服放大...

- 三菱伺服放大器新品亮相,可對應CC-Link IE Field Basic。
- 就在昨日下午,三菱發布了一款型的三菱伺服放大器系列,該系列名稱為三菱伺服放大器MR-JE-C系列,其最大的特點為可對應CC-Link IE Field Basic。下面就由海藍機電小編來大概的向諸位伺服用戶做個介紹,希望大家看后能有所了解! ...

- 三菱伺服電機MR-J4系列有何優勢?
- 三菱伺服電機MR-J4系列性能卓越,其眾多性能均已達到業內最高水準。與其前款三菱伺服電機MR-J3型號產品,其優勢明顯。下面就由還來機電來具體的向諸位介紹一些三菱伺服電機MR-J4系列獨特的優勢! 優勢一:三菱伺服電機MR-...



