產品介紹
海藍機電專業銷售原裝三菱FX系列PLC,三菱原裝PLC模塊,價格優惠,大量現貨!FX3S-30MT-DS|三菱原裝PLC|100%原裝正品;服務熱線:400-8819-130、0755-88356415。
用于代替FX1S-30MT-001。FX3S-30MT-ES重量0.40kg ,FX3S-30MT外形尺寸W*H*D[mm]100*90*75
FX3S-30MT/DS參數說明:AC電源、16點DC24V(漏/源型)輸入,14點晶體管漏型輸出
三菱PLC FX3S-30MT/DS產品詳細說明
【FX3S-30MT/DS】價格:面價/電議
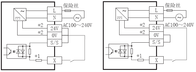
【FX3S-30MT/DS電源規格】◆ 電源電壓:AC100~240V
◆ 電源電壓允許范圍:AC85~264V
◆ 額定頻率:50/60Hz
◆ 允許瞬時停電時間:對l0ms以下的瞬時停電會繼續運行
◆ 電源保險絲:250V 1A
◆ 沖擊電流:最大15A 5ms以下/AC100V,最大28A 5ms以下/AC200V
◆ 消耗功率:21W
◆ DC24V供給電源:400mA
◆ 輸入形式:漏/源型
◆ 輸入的連接方式:固定式端子(M3螺絲)
◆ 輸入點數:16點
◆ 輸入信號電壓:AC電源型:DC24V +10% DC電源型:DC20.4V~26.4V
◆ 輸入電阻:3.3KΩ(X010以后是4.3KΩ)
◆ 輸入信號電流:7mA/DC24V(X010以后,5mA/DC24V)
◆ 輸入ON電流:4.5mA以上(X010以后,3.5mA/DC24V)
◆ 輸入OFF電流:1.5mA以下
◆ 輸入響應時間:約10ms
◆ 輸入信號形式:
漏型:無電壓觸點輸入或是NPN開電極品體管輸入
源型:無電壓觸點輸入或是PNP開電極品體管輸入
◆ 回路絕緣:光耦絕緣
◆ 輸入動作表示:輸入ON時LED燈亮
◆ AC電源型輸入回路的結構
漏型輸入接線 源型輸入接線

【FX3S-30MT/ES輸出規格】
◆ 輸出類型:晶體管/漏型輸出◆ 輸出點數:14點
◆ 輸出的連接方式:固定式端子(M3螺絲)
◆ 外部電源:DC5~30V以下
◆ 最大電阻負載:0.5A/1點
◆ 最大感性負載:12W/DC24V
◆ 開路漏電流:0.1mA以下DC30V
◆ ON電壓:1.5V以下
◆ 響應時間:
OFF->ON:Y000、Y001:5μs以下/10mA以上(DC5~24V)
ON->OFF:Y002~Y015:0.2ms以下/200mA以上(DC24V)
◆ 回路絕緣:光耦隔離
◆ 動作表示:光耦驅動時面板上的LED燈亮
◆ 漏型輸出回路的結構圖
選擇我們的優勢:
【A】:深圳海藍機電設備有限公司10多年專注三菱原裝工控領域,專業代理原裝三菱plc、三菱變頻器、三菱伺服電機、三菱觸摸屏、減速機、三菱機器人等原裝進口自動化產品,備有各類現貨庫存高達2000多種,100%原裝正品,假一罰十!
【B】:完善的售后服務體系,常規型號24小時內迅速發貨,物流部門本著"安全、高效、快捷”的服務理念,可滿足客戶的各類物流需求。
1、廣東省內客戶可滿足上午發貨,下午送達,下午發貨,第二天早上送達。
2、省外客戶可提供即日達、隔日達、普通快遞、物流等服務,滿足客服多樣化的需求,為您提供快捷速遞服務的同時,為您節約物流成本。
3、國外客戶可提供國際海運集裝箱拼箱運輸服務,可提供貼嘜頭、固定卡板、打木架等個性化服務。
【C】:所有產品咨詢、報價、貨期三分鐘內及時響應,公司客服及銷售人員經過嚴格的產品知識培訓,能為您提供產品選型、產品報價、產品介紹等專業的售前技術咨詢,還可提供編程軟件免費下載、編程入門、視頻教學、 技術培訓等,為您解決后顧之憂,提供一站式的優質服務。
【D】:雄厚的技術實力, 擁有專業、高效的技術團隊,所有技術人員均已通過三菱專業技術工程師的考核,可幫助客戶進行PLC程序設計、觸摸屏程序設計、伺服系統編程與調試,工程總包等,并根據您的現場需要提供技術上門支持, 省內客戶接到技術請求后3小時即可上門,為您的企業自動化插上展翅飛翔的翅膀。
【E】:專業的維修工程師團隊,365天免費保修,修復時間快、48小時內為您排憂解難,提供詳盡的維修解決方案,為您提供高效的售后維修服務。




